Smart Process & Control LTD
Bundle: SDM630MCT-MOD-MID & 3x T24/T36 Split Core Current Transformers
£201.60
£224
Excluding VAT. Shipping calculated at checkout.
Product Features:
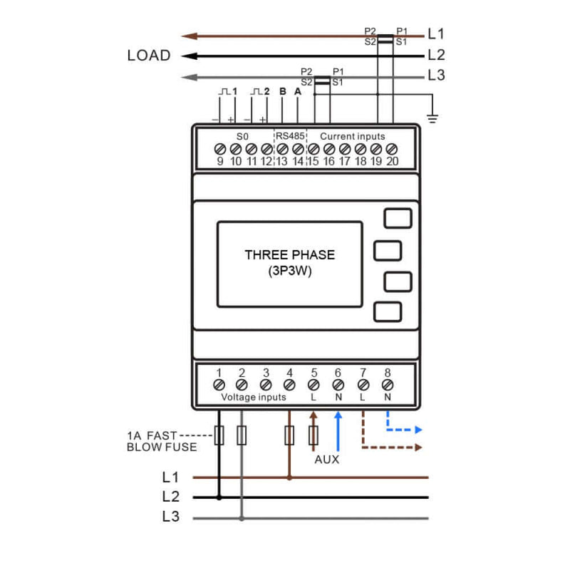
Meter Information:
- MID B&D Approved - 0120/SGS0150
- Single Phase (1P2W) or Three Phase (3P3W or 3P4W)
- Multifunction Meter (16 different parameters)
- CT Operated (1A or 5A secondary - settable)
- 230/400V AC
- RS485 Modbus RTU
- Dual Pulse Outputs built in
- 4-DIN Module
- Digital Backlit Display
- Touch Screen Buttons
CT Information:
- Split Core
- 100-250A (24mm Aperture) 300-600A (36mm Aperture)
- 5A Secondary Current
- 1m Fly Lead (2.5mm Wire)
- Accuracy Class 1
This bundle includes 1pc of Eastron SDM630MCT-MOD-MID and 3pcs of Eastron T24 Current Transformer
You will need to confirm what Current Transformer ratio you require before checkout, as per the options section below.
Meter Details:
Click Here For Product Datasheet
Click Here For User Manual
Click Here For Product Protocol
CT Details:









