Product Features:
- Single Phase (1P2W)
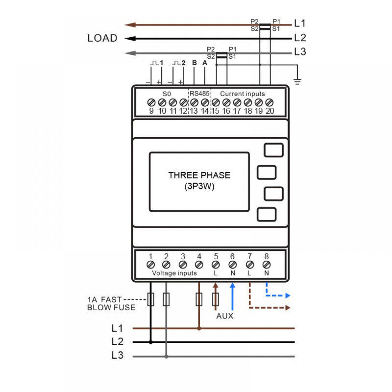
- Three Phase (3P3W)
- Three Phase (3P4W)
- Multifunction
- 333mV CT Operated
- 230/400V AC
- RS485 Modbus RTU
- Dual Pulse Outputs
- 4-DIN Module
- Digital Backlit Display
- Touch Screen buttons
The SDM630MCT-MV Digital Power Meter can be configured through the password-protected setup menu to work in Single or Three Phase circuits. The unit itself works in conjunction with 333mV current transformers, allowing flexibility when monitoring applications with different current ratings. We have also designed a simple, but effective panel-mounting kit that secures this din rail meter within a 92mm² cutout to provide a solution to a 96mm² Panel Meter (panel kits sold separately).
This particular meter has proven to be very popular due to the detailed measurements it can provide, such as Power Factor, Max Demand Power & Total Harmonic Distortion. Unlike other meters available on the market, this model has Pulse and Modbus communications built in, eradicating the requirement of purchasing extra modules. The SDM630 Series is housed in a 4-DIN (72mm) case meaning it is compact and space-saving. This specific model measures Voltage, Voltage THD, Current, Max Demand Current, Current THD, Frequency, Power Factor, Max Demand Power, Active Power, Reactive Power, Apparent Power, Total Active Energy, Import & Export Active Energy, Total Reactive Energy, Import & Export Reactive Energy.
SDM630 CT Series have been assessed and certified as meeting the requirements of EC Directive 2014/32/EU. The instrument traceable number is 0120/SGS0142





